-
結構簡單緊湊
結構簡單緊湊,重量較輕,便于裝拆和維修。
-
操作扭距較小
操作扭距較小,轉90°啟閉輕便迅速。
-
流阻小
流阻小,流量特性近似傾斜直線,節能效果好。
-
密封可靠
密封可靠,泄漏為零,使用壽命長。
-
可用各種材料制成
可用各種材料制成,適用于各種介質。
-
-
-
-
產品優點
產品介紹
D71F手柄襯四氟蝶閥:對夾式襯四氟蝶閥是為了適應一些具有強酸、強堿的腐蝕性環境,石油、化工等多個特殊領域的需要,使用聚四氟乙烯制成的閥體,具有很強的防腐效果。在常規條件下可以替代不銹鋼閥體。般德閥門生產的D71F手柄四氟蝶閥具有功能強、體積小、輕便宜人,性能可靠、配套簡單、流通能力大,特別是適合于介質是粘稠、含顆粒、纖維性質的場合。該產品作為一種用來實現管路系統通斷及流量控制的元件,已在石油、化工、冶金、水電等許多領域中得到極為廣泛地應用。
產品參數

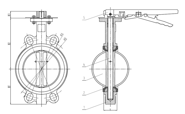
D71F手柄襯四氟蝶閥參數信息
閥門執行標準 | 名稱 | 設計及制造 | 結構長度 | 試壓標準 | 上法蘭尺寸 | 側法蘭尺寸 | ||
參照標準 | GB/T 12238-2008 | GB/T 12221-2008 | GB/T 13927-2008 | ISO 5211 | CLASS 150/PN16/10K/BS PN16 | |||
主要零部件信息 | 名稱 | 1-閥體 | 2-閥座 | 3-蝶板 | 4-閥軸 | 5-手柄 | ||
材質 | 球鐵/鑄鋼/CF8 | 聚四氟乙烯 | 球鐵/鑄鋼/CF8 | 不銹鋼410 | DI/304 | |||
尺寸信息 | DN | IN | H1 | H2 | H3 | ∅A | ∅B | L |
DN50 | 2" | 75 | 139 | 32 | 125 | 105 | 43 | |
DN65 | 2.5" | 83.5 | 152.5 | 32 | 145 | 140 | 46 | |
DN80 | 3" | 96 | 160 | 32 | 160 | 150 | 46 | |
DN100 | 4" | 116.5 | 173.5 | 32 | 190.5 | 175 | 52 | |
DN125 | 5" | 128.5 | 191.5 | 32 | 216 | 200 | 56 | |
DN150 | 6" | 140.2 | 205.2 | 32 | 241.3 | 225 | 56 | |
DN200 | 8" | 176 | 242 | 40 | 298.4 | 280 | 60 |
