-
可提供試壓報告
所有般德的產品,均可提供出廠試壓報告。
-
球墨鑄鐵實心閥體
QT450-10球鐵閥體、球化率3 級,抗拉強度450Mpa,延展率10%以上。相同厚度情況下,抗拉強度是灰鐵體的2倍,可適用的工作壓力更高。
-
高彈性閥座橡膠
閥座橡膠含膠率50%,經仿真啟閉實驗1萬次以上,無泄漏。
-
阿克蘇環氧塑粉
閥體噴涂采用阿克蘇的環氧樹脂塑粉,附著力強,劃格法0-1級通過;沖擊強度高,50kg?cm正沖通過;耐候性好,戶內戶外均可使用。
-
POF熱縮膜獨立包裝
DN200以下口徑采用POF熱縮膜膜獨立包裝,DN250以上采用氣泡袋或纏繞膜包裝,內置干燥劑,防潮、防淋、隔灰塵。
-
不銹鋼螺栓
螺栓采用不銹鋼材質,穩定可靠,防銹能力強。
-
304不銹鋼標牌
304標牌,激光刻標,字跡清晰,存留時間長。不銹鋼鉚釘固定,外觀美觀,連接牢靠。
-
產品可追溯
每一臺般德產品都有專屬的ID編號。
-
產品優點
產品介紹
般德閥門對夾渦輪蝶閥,結構簡單,性能優良,90°回轉開關輕松,相對于手柄蝶閥,開關更省力,更適合在工業領域中使用,密封可靠,使用壽命長,在水廠、電廠、鋼廠、造紙、化工等領域都有廣泛的使用,調節和截止介質的流通。
產品參數

對夾渦輪蝶閥參數信息
執行標準 | 名稱 | 設計及制造 | 結構長度 | 試壓標準 | 上法蘭尺寸 | 側法蘭尺寸 | ||||||||||
參照標準 | GB/T 12238-2008 | GB/T 12221-2008 | GB/T 13927-2008 | ISO 5211 | CLASS150/PN6/PN10/PN16/ 5K/10K/TABLE D/TABLE E |
|||||||||||
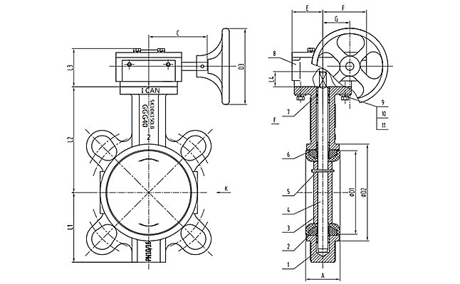
零部件信息 | 名稱 | 1-閥體 | 2-閥座 | 3-蝶板 | 4-閥軸 | 5-圓錐銷 | 6-襯套 | 7-O型圈 | 8-渦輪頭 | 9-六角螺栓 | 10-彈簧墊片 | 11-平墊 | ||||
材質 | DI | EPDM | DI鍍鎳 | SS420 | SS416 | 高分子復合材料 | NBR | HT200 | SS304 | SS304 | SS304 | |||||
尺寸信息 | DN | A | D1 | D2 | L1 | L2 | L3 | L4 | B | C | E | F | G | φD3 | 上法蘭 | |
2″ | DN50 | 43 | 73.3 | 92.3 | 75 | 129 | 59 | 24 | 9 | 110 | 45 | 67 | 44 | 136 | F05 | |
2.5″ | DN65 | 46 | 86 | 107 | 82 | 136 | 59 | 24 | 9 | 110 | 45 | 67 | 44 | 136 | F05 | |
3″ | DN80 | 46 | 100.9 | 122 | 99 | 153 | 59 | 24 | 9 | 110 | 45 | 67 | 44 | 136 | F05 | |
4″ | DN100 | 52 | 132 | 153 | 110 | 167 | 59 | 24 | 11 | 110 | 45 | 67 | 44 | 136 | F07 | |
5″ | DN125 | 56 | 156 | 179 | 125 | 193 | 59 | 24 | 14 | 110 | 45 | 67 | 44 | 136 | F07 | |
6″ | DN150 | 56 | 185.4 | 208.4 | 145 | 209 | 59 | 24 | 14 | 110 | 45 | 67 | 44 | 136 | F07 | |
8″ | DN200 | 60 | 235.2 | 262.3 | 170 | 251 | 75 | 30 | 17 | 172 | 61 | 85 | 53 | 277 | F10 | |
10″ | DN250 | 68 | 289.4 | 316.3 | 213 | 283 | 75 | 30 | 22 | 172 | 61 | 85 | 53 | 277 | F10 | |
12″ | DN300 | 78 | 341.2 | 372 | 240 | 315 | 82 | 30 | 22 | 165 | 78 | 109 | 79 | 277 | F10 |
產品專利

新型蝶閥閥體專利 CN201520267217.9
般德閥門專利閥體,蝶閥閥體能適用于主要工業國家對管道側法蘭的規定安裝,增加了蝶閥的適用范圍。

蝶閥外觀專利 CN201830771212.9
采用般德閥門專利閥體外觀。
