-
球鐵和鑄鋼材質可選
主體材質選用QT450或WCB,化學成分和力學性能達到國家規定標準要求,可提供材質報告。
-
產品精度有保障
所有閥體及零部件均采用數控機床加工,確保產品精度。
-
體密封結構
采用體密封結構,區別于市場常規的板密封結構,可實現雙向密封。
-
多種密封可選
有橡膠軟密封及不銹鋼硬密封可選,閥板及其他零部件也可根據工況選配材質。
-
閥座耐磨
閥座堆焊不銹鋼,更耐磨,使用壽命更長。
-
閥軸自潤滑
閥軸采用自潤滑式套筒軸承支撐,減少摩擦和扭矩。
-
阿克蘇環氧樹脂噴涂
采用世界品牌阿克蘇環氧樹脂噴涂,噴涂厚度達250um。
-
按照國家標準試壓
每臺閥門出廠均按照國家標準試壓,不合格產品絕不出廠。
-
產品優點
產品介紹
伸縮蝶閥除了能作調節和截流作用,還能補償管道溫差所產生的熱脹冷縮,也能為安裝更換、維修閥門提供方便。雙偏心伸縮蝶閥主要適用于水廠、電廠、鋼廠冶煉、化工、水源泉工程、環境設施建設等系統排水用,尤其適用于水道管路上。和中線蝶閥相比, 雙偏心蝶閥更耐高壓, 壽命更長, 穩定性好。 和其它閥門相比, 口徑越大材料越輕,成本就更低。
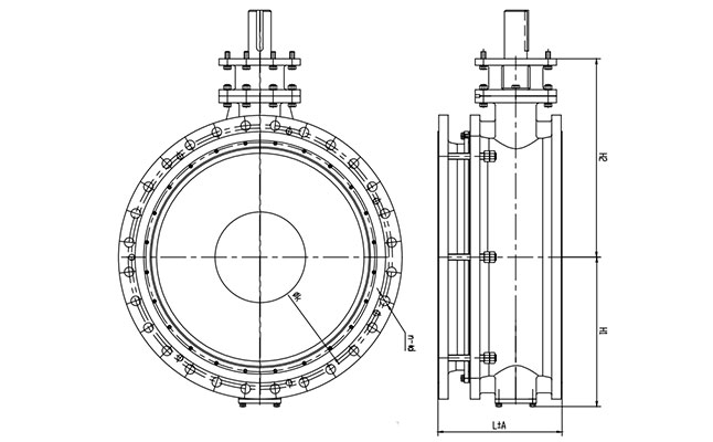
產品參數

名稱 | 設計與制造標準 | 結構長度 | 試壓標準 | 側法蘭尺寸 | |||
參照標準 | GB/T 12238 | GB/T 12221 | GB/T 13927 | GB/T 17241.6 | |||
名稱 | 1-閥體 | 2-密封 | 3-蝶板 | 4-閥軸 | |||
材質及說明 | QT450-10 | EPDM | QT450-10 | 2Cr13 | |||
公稱尺寸 | L | 伸縮量 | PN10 | PN16 | |||
DN | NPS(英寸) | φK | n-φd | φK | n-φd | ||
100 | 4'' | 190 | ±10 | 180 | 8-φ19 | 180 | 8-φ19 |
125 | 5'' | 200 | ±10 | 210 | 8-φ19 | 210 | 8-φ19 |
150 | 6'' | 210 | ±10 | 240 | 8-φ22 | 240 | 8-φ22 |
200 | 8'' | 230 | ±10 | 295 | 8-φ22 | 295 | 12-φ22 |
250 | 10'' | 250 | ±10 | 350 | 12-φ22 | 355 | 12-φ28 |
300 | 12'' | 270 | ±10 | 400 | 12-φ22 | 410 | 12-φ28 |
350 | 14'' | 290 | ±10 | 460 | 16-φ22 | 470 | 16-φ28 |
400 | 16'' | 310 | ±10 | 515 | 16-φ28 | 525 | 16-φ31 |
450 | 18'' | 330 | ±15 | 565 | 20-φ28 | 585 | 20-φ31 |
500 | 20'' | 350 | ±15 | 620 | 20-φ28 | 650 | 20-φ34 |
600 | 24'' | 390 | ±15 | 725 | 20-φ31 | 770 | 20-φ37 |
700 | 28'' | 430 | ±15 | 840 | 24-φ31 | 840 | 24-φ37 |
800 | 32'' | 470 | ±15 | 950 | 24-φ34 | 950 | 24-φ40 |
900 | 36'' | 510 | ±20 | 1050 | 28-φ34 | 1050 | 28-φ40 |
1000 | 40'' | 550 | ±20 | 1160 | 28-φ37 | 1170 | 28-φ43 |
1200 | 48'' | 630 | ±30 | 1380 | 32-φ40 | 1390 | 32-φ49 |
1400 | 56'' | 710 | ±30 | 1590 | 36-φ43 | 1590 | 36-φ49 |
1600 | 64'' | 790 | ±30 | 1820 | 40-φ49 | 1820 | 40-φ56 |
1800 | 72'' | 870 | ±30 | 2020 | 44-φ49 | 2020 | 44-φ56 |
2000 | 80'' | 950 | ±30 | 2230 | 48-φ49 | 2230 | 48-φ62 |
